HCR900D技術參數:
| 技術參數 | 性能指標 | ||||
整機性能 | 整機裝備質量 | 12000kg | |||
| 行走速度:1.8/3.2km/h | |||||
| 回轉速度:16秒/360° | |||||
| 爬坡度:30° | |||||
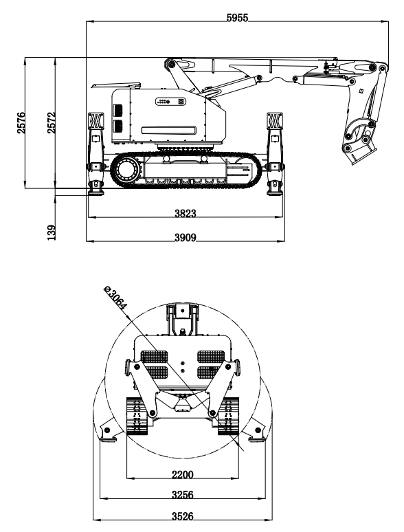
幾何尺寸 | 運輸尺寸 | 運輸長度:5955mm | |||
| 最低運輸高度:2576mm | |||||
| 最小運輸寬度:2200mm | |||||
| 工作空間 | 最大工作高度:10373mm | ||||
| 最大工作半徑:9627mm | |||||
| 最大工作深度:5036mm | |||||
| 動力驅動 | 電機驅動 | 功率/轉速:55/61kW 1478r/min | |||
| 液壓系統 | 主泵:負載敏感是軸向柱塞變量泵 | ||||
| 輸出流量:0-140L/min | |||||
| 主閥:負載反饋壓力補償式電液比例多路閥 | |||||
| 系統額定壓力:18/25Mpa | |||||
| 液壓油箱容積:230L | |||||
| 控制系統 | 控制裝置:便攜式遙控器 | ||||
| 控制方式:無線 | |||||
| 通訊模式:基于CAN總線的數字式有線雙向通訊 | |||||
HCR900D尺寸范圍圖:











