HCR120C技術參數:
| 技術參數 | 性能指標 | |
| 整機性能 | 整車裝備質量 | 1400kg |
| 行走速度:2.2/4.0km/h | ||
| 回轉速度:10秒/360° | ||
| 爬坡度:30° | ||
| 履帶寬度:180mm | ||
| 可配工具:液壓錘、液壓剪、挖斗、抓取器等 | ||
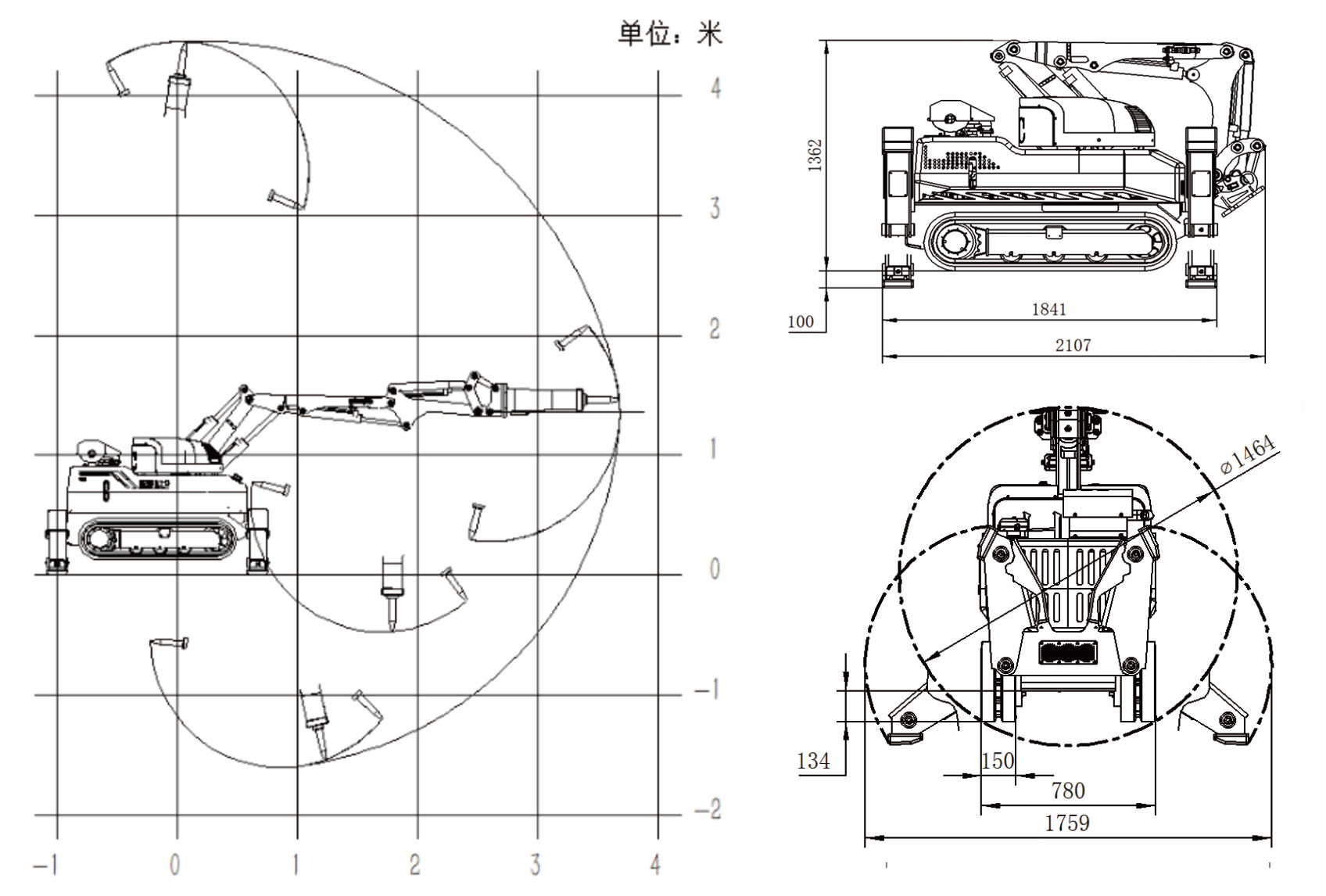
| 幾何尺寸 | 設備尺寸 | 長度:2200mm |
| 最低高度:1325mm | ||
| 最小寬度:780mm | ||
| 工作空間 | 最大工作高度:4400mm | |
| 最大工作半徑:3685mm | ||
| 最大工作深度:1500mm | ||
| 動力系統 | 柴油機驅動 | 功率/轉速:18.7kW@3200rpm |
| 最大扭矩:60Nm@2300rpm | ||
| 柴油箱容積:28L | ||
| 液壓系統 | 主泵:負載敏感式軸向柱塞變量泵 | |
| 輸出流量:0~40L/min | ||
| 主閥:負載反饋壓力補償式電液比例多路閥 | ||
| 系統額定壓力: 18.7MPa | ||
| 液壓馬達 | 回轉馬達:ZHENJIANG DALI | |
| 行走馬達:NACHI | ||
| 液壓油箱容積:40L | ||
| 控制系統 | 控制裝置:便攜式遙控器 | |
| 控制方式:無線 /有線(20m) | ||
| 遙控距離:150m | ||
| 通訊模式:基于CAN總線的數字式有線雙向通訊 | ||
HCR120C工作范圍圖:










